![]() |
Hutong Town | Floor Plans | ||||
![]() |
||||||
|
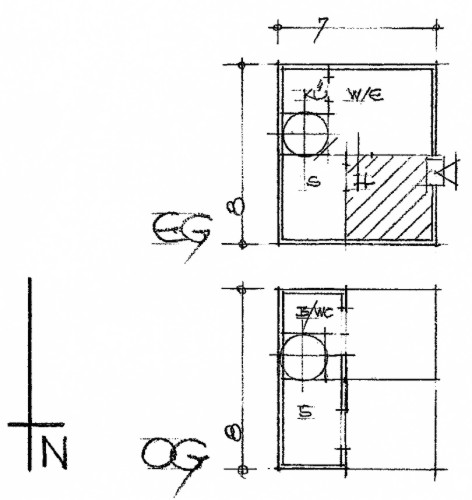
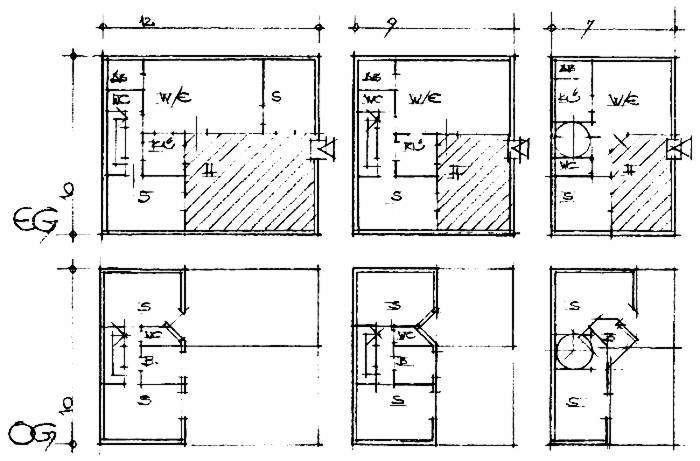
Floor
plans for building sites ranging from 56 sqm to 120 sqm. |
||||||
| Explanation: |
![]() |
|||||
| EG | ground floor | |||||
| OG | first floor | |||||
| H | courtyard | |||||
| S | bedroom, workroom, children's room | |||||
| KÜ | kitchen | |||||
| B/WC | bathroom and toilet | |||||
| AB | storeroom | |||||